Każdy dom powinien posiadać projekt instalacji elektrycznej, w tym elektrycznego ogrzewania podłogowego, do którego należą maty i kable grzejne. Poniżej znajdują się wskazówki, jak to zrobić, jeśli taki projekt z jakiegoś powodu nie jest dostępny. Jedynym wymogiem jest znajomość mocy obwodów grzejnych zainstalowanych w każdym pomieszczeniu. Przeczytaj nasze wskazówki, jak przygotować instalację elektryczną dla maty i kabla podłogowego.
Projekt instalacji elektrycznego ogrzewania podłogowego
- Każde pomieszczenie wyposażone w matę grzejną lub kabel grzejny podłogowy musi być sterowany przez termostat pokojowy.
- Maty i kable grzejne o stałej rezystancji, zgodnie z przepisami, muszą być sterowane przez termostat, który reguluje temperaturę za pomocą zewnętrznego czujnika temperatury podłogi. Jak zainstalować czujnik temperatury w macie grzejnej?
- Ponieważ większość termostatów posiada czujnik temperatury powietrza w obudowie, musi on koniecznie znajdować się w tym samym pomieszczeniu. Termostat wewnątrz czy na zewnątrz?
- Zaleca się, aby każdy termostat posiadał osobne zabezpieczenie bezpiecznikowe, w tym zabezpieczenie nadprądowe i różnicowoprądowe, co wiąże się z pociągnięciem osobnego przewodu z zasilaniem elektrycznym do punktu skrzynki zasilającej. Jaki bezpiecznik do maty grzewczej?
Po co instalować oddzielny kabel zasilający i bezpiecznik?
- Bezpieczeństwo.
- Prawidłowe zabezpieczenie obwodu grzejnego przed przeciążeniem, upływem prądu a nawet porażeniem prądem.
- Podczas awarii i na czas jej trwania będziemy mieć możliwość wyłączenia tylko jednego wadliwego obwodu, np. w jednym pomieszczeniu, a nie wielu.
Podczas projektowania należy zapoznać się z danymi technicznymi termostatu pokojowego

Projekt elektrycznego ogrzewania podłogowego koncentruje się również na wyjściu przekaźnika z termostatu do ogrzewania. Od niego zależy maksymalna moc całej instalacji. Najczęściej można spotkać termostaty z przekaźnikiem od 13 do 16A. Jest to limit mocy, który można podłączyć do termostatu.
Przy napięciu sieciowym 230 V AC liczymy:
- Ampery x Napięcie w sieci = Maksymalna moc maty / kabla grzejnego
- 12 A x 230 V = 2 760 W.
- 13 A x 230 V = 2 990 W.
- 14 A x 230 V = 3 220 W
- 15 A x 230 V = 3 450 W
- 16 A x 230 V = 3 680 W.
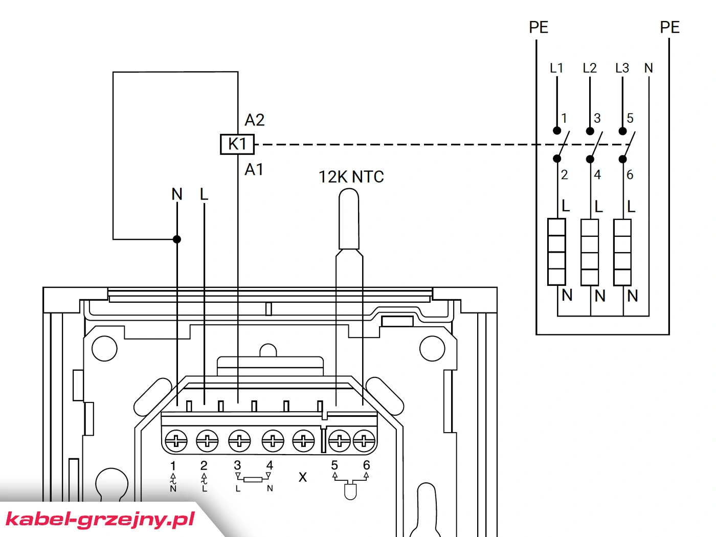
Przykład: Do wyjścia przekaźnika 13 A możemy podłączyć jedną, dwie lub nawet trzy maty grzejne o maksymalnej mocy grzewczej 2990 W. Przekroczenie tej wartości może szybko uszkodzić termostat i unieważnić warunki gwarancji u producenta. Można temu zaradzić, instalując dodatkowy zewnętrzny stycznik pomocniczy. Jak podłączyć termostat podłogowy za pomocą dodatkowego stycznika? Jednak jeśli się nad tym zastanowić, lepszym i prostszym rozwiązaniem dla większych obszarów jest użycie dwóch oddzielnych termostatów.
Termostat na ścianie jako oddzielny element czy w systemie ramowym?

Projektując wnętrze swojego wymarzonego domu, warto wiedzieć, jakie opcje są dostępne na rynku pod względem konstrukcji ramek. Niektóre firmy oferują tylko osobne termostaty w stałej obudowie, ale są też takie, które można zintegrować z innymi ramkami. Na czym polega takie rozwiązanie? Przednia część termostatu może być połączona z ramkami do włączników światła lub innych przełączników. Wpływa to znacząco na wygląd termostatu i całego pomieszczenia. Najczęstszym takim połączeniem jest termostat i włącznik światła. Upewnij się, że przełącznik znajduje się z boku drzwi, ponieważ będzie bliżej dłoni i będzie częściej używany. Z drugiej strony, wieczorem, gdy sięgamy po włącznik w ciemności, taki układ zapobiegnie przypadkowym zmianom termostatu.

Na przykład termostat pokojowy Raychem R-SENZ-WIFI pasuje do następujących systemów ramek: Berker Q1, Q3; M-Plan, M-Pure, M-Elegance; Ospel Sonata; GIRA E2, E3, 55, Esprit. Srebrne i antracytowe fronty i ramki można kupić w naszym sklepie. Pełna lista kompatybilnych ramek.
Jaki kabel zasilający do termostatu podłogowego?

Znając moc obwodu grzejnego w watach, możemy (na podstawie odpowiednich wzorów) obliczyć grubość kabla zasilającego do jego obciążenia i długości. Dokładne wzory są wymagane na egzaminach na uprawnienia elektryczne. Dla zwykłych użytkowników nie ma jednak potrzeby zagłębiania się w ten techniczny temat. Wystarczy znać najczęściej spotykane grubości kabli w systemach ogrzewania podłogowego:
- Obwody grzewcze o mocy do 3000 W, kabel zasilający w ścianie o długości 20 m z maksymalnym zabezpieczeniem 16 A, przewód zasilający o przekroju żyły 1,5 mm² (trójżyłowy).
- Obwody grzewcze w zakresie 3000 – 4000 W, kabel zasilający w ścianie o długości 20 m z maksymalnym zabezpieczeniem 20 A, stosujemy kabel zasilający o przekroju żyły 2,5 mm² (trójżyłowy).
Nie zaleca się bezpośredniego podłączania kabla zasilającego o przekroju 2,5 mm² do zacisków termostatu. Kabel miedziany o takiej średnicy jest zbyt sztywny i gruby, przez co może nie pasować do zacisków lub spowodować uszkodzenie ich lutów montażowych do płytki elektronicznej podczas osadzania termostatu w puszce podtynkowej.
Rozwiązaniem jest zastosowanie w puszce odcinków kabla typu drut o przekroju 1,5 mm², które połączą przewód zasilający z termostatem.
Czy stosować tulejki na kabel zasilający?


Stosowanie tulejek zaciskowych (ferrul) zależy od rodzaju zacisków użytych w termostacie. Oto zalecenia dotyczące różnych typów zacisków:
- Zaciski elektryczne ściągające, sprężynowe oraz typu push-in: W przypadku zacisków ściskanych i takich jak zaciski typu push-in, nie ma potrzeby stosowania tulejek na kabel linkowy. Te zaciski są zaprojektowane do bezpośredniego przyjęcia kabla linkowego, zapewniając solidne połączenie bez konieczności dodatkowych akcesoriów.
- Zaciski elektryczne śrubowe: Przy zaciskach śrubowych zaleca się stosowanie tulejek zaciskowych na kablu typu linka. Tulejki zapobiegają rozchodzeniu się żył linki pod naciskiem śruby, co zapewnia pewniejsze i trwalsze połączenie. Kabel linkowy powinien być zakończony tulejką typu „ferrul”, a następnie tulejka powinna być włożona do zacisku i dokręcona śrubą.
Co zrobić, jeśli termostat ma zbyt małe wyjście przekaźnikowe, a chcemy mieć jeden termostat?

Często w pomieszczeniach takich jak duży salon lub kuchnia połączona z jadalnią, musimy podłączyć dwa przewody grzejne pod jeden termostat, a ich łączna moc grzewcza przekracza moc naszego przekaźnika w termostacie. W takim przypadku należy zainstalować oddzielny stycznik, tak zwany stycznik pomocniczy. Powinien on być zainstalowany w rozdzielnicy elektrycznej. Oznacza to, że należy go zaplanować już na etapie projektowania instalacji grzewczej. Konieczne będzie również inne ułożenie przewodów elektrycznych od rozdzielnicy do termostatu. Zazwyczaj stosowane są styczniki typu NO (normalnie otwarte). Oznacza to, że po podłączeniu przekieruje on prąd do obwodu grzewczego. Umożliwi to włączenie mocy grzewczej systemu do wymaganej wartości. Jak podłączyć termostat podłogowy z dodatkowym stycznikiem?
W przypadku dużych obszarów lepszym rozwiązaniem jest podzielenie go na mniejsze strefy grzewcze i użycie większej liczby termostatów.
Jaka puszka podtynkowa do termostatu podłogowego?

Termostat do prawidłowego działania w pomieszczeniu musi znajdować się na wysokości około 120 – 150 cm od poziomu podłogi w miejscu stale odsłoniętym.
- Nie może być zasłonięty meblami lub zasłoną.
- Nie mogą na niego padać ostre promienie słoneczne.
- Nie może znajdować się w pobliżu źródeł ciepła, takich jak grzejnik, telewizor, kominek.
- Nie może być umieszczany w miejscu, w których mogą występować duże i częste przeciągi.
Aby bezproblemowo zainstalować termostat pokojowy, konieczne jest zainstalowanie standardowej puszki Ø 60 mm o głębokości min. 60 mm. Oprócz miejsca na podtynkową część termostatu, która zwykle zajmuje 20-30 mm, należy dodać miejsce na przewód zasilający, przewód czujnika temperatury i złącze kabla ochronnego. Wszystkie kable wprowadzamy jak najbliżej tylnej ścinki puszki.

Co od puszki termostatu do poziomu podłogi?

Do puszki, w której zostanie umieszczony termostat pokojowy, należy doprowadzić dwie rury instalacyjne o średnicy wewnętrznej min. 18 mm:
- W pierwszej aby przeciągnąć kabel zasilający od kabla grzejnego (przy większej liczbie przewodów należy uwzględnić odpowiednio grubszy przepust),
- I do dedykowanej rurki z czujnika temperatury podłogi. Jak zainstalować czujnik temperatury w macie grzejnej?
Jaki bezpiecznik do ogrzewania podłogowego?

Ponadto konieczne jest zainstalowanie w instalacji odpowiedniego odłącznika różnicowoprądowego i zabezpieczenia nadprądowego. Dobór bezpieczników zależy od rodzaju zasilania obwodu ogrzewania podłogowego. Na ten temat można przeczytać w artykule: Jaki bezpiecznik do maty grzejnej?
Czy termostaty pokojowe będą korzystać z połączenia Wi-Fi?

Nowoczesne termostaty mają również możliwość sterowania elektrycznym ogrzewaniem podłogowym za pomocą aplikacji na smartfona. Jeśli chcesz zapewnić taką możliwość, zaprojektuj sieć WiFi z wyprzedzeniem i upewnij się, że cały dom ma wystarczająco silny zasięg sieci domowej w każdym pomieszczeniu.
Powyższy opis ma charakter informacyjny. Instalacje elektryczne powinny być wykonywane przez licencjonowaną osobę.

