Mata grzejna bez uziemienia? Nie rób tego!
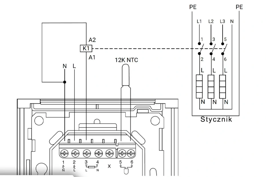
Podłączanie mat i kabli grzejnych bez uziemienia to poważne zagrożenie. Sprawdź, co mówią normy PN-IEC 60364, jak działa uziemienie i jakie skutki grożą za jego brak w instalacji elektrycznego ogrzewania podłogowego.







